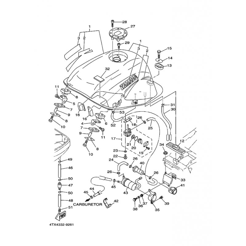
KRAFTSTOFFHAHN 1
Artikelname: KRAFTSTOFFHAHN 1
Hersteller: Yamaha
OEM Nummer: 4KM245001000
Dieser Artikel wurde durch folgenden ersetzt: 4KM245001100
Hersteller: Yamaha
OEM Nummer: 4KM245001000
Dieser Artikel wurde durch folgenden ersetzt: 4KM245001100






















