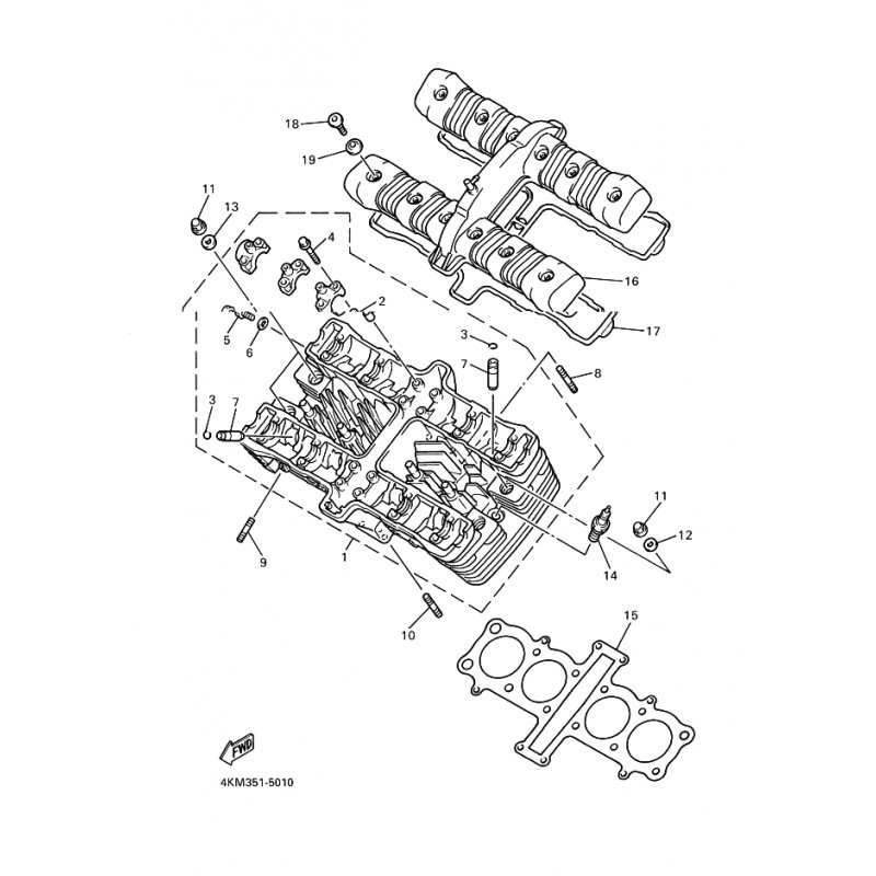
DECKEL, ZYLINDERKOPF 1
Artikelname: DECKEL, ZYLINDERKOPF 1
Hersteller: Yamaha
OEM Nummer: 4KM111900000
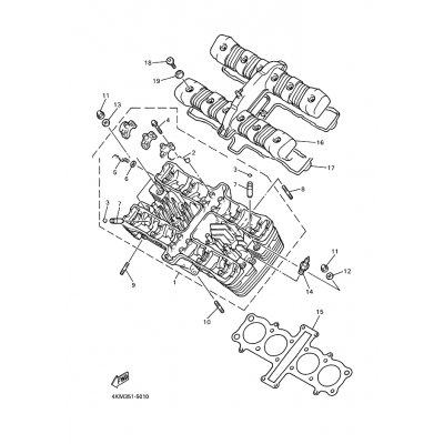
Hersteller: Yamaha
OEM Nummer: 4KM111900000






















