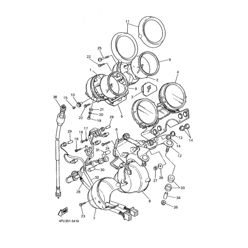
GESCHWINDIGK. KABEL KOMPL.
Artikelname: GESCHWINDIGK. KABEL KOMPL.
Hersteller: Yamaha
OEM Nummer: 4KG835500200
Hersteller: Yamaha
OEM Nummer: 4KG835500200




















