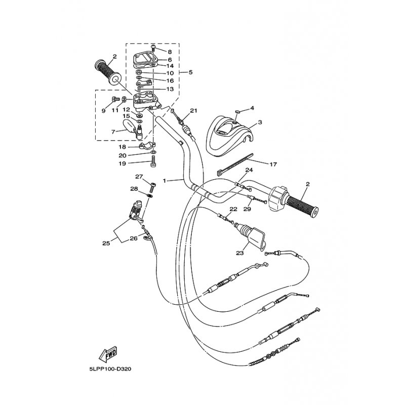
KAPPE, ZAHNRAD
Artikelname: KAPPE, ZAHNRAD
Hersteller: Yamaha
OEM Nummer: 4KB2628F0000
Hersteller: Yamaha
OEM Nummer: 4KB2628F0000






















