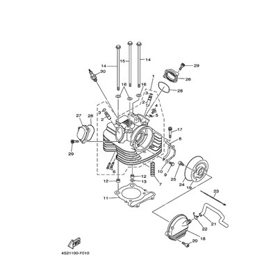
PLATTE, BELUFTUNG
Artikelname: PLATTE, BELUFTUNG
Hersteller: Yamaha
OEM Nummer: 4KB111650000
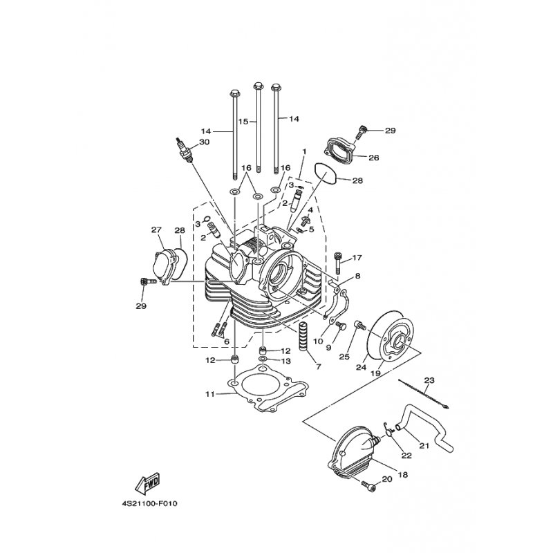
Hersteller: Yamaha
OEM Nummer: 4KB111650000






















