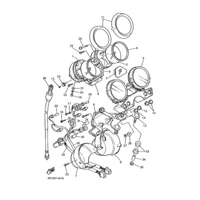
SCHUTZGLAS, KONTROLLAMPE
Artikelname: SCHUTZGLAS, KONTROLLAMPE
Hersteller: Yamaha
OEM Nummer: 4HM835323000
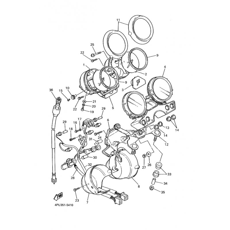
Hersteller: Yamaha
OEM Nummer: 4HM835323000




















