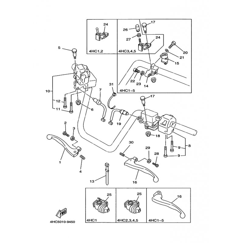
VORDERRAD-BREMSLICHTSCHALTE
Artikelname: VORDERRAD-BREMSLICHTSCHALTE
Hersteller: Yamaha
OEM Nummer: 4HC839800000
Hersteller: Yamaha
OEM Nummer: 4HC839800000




















