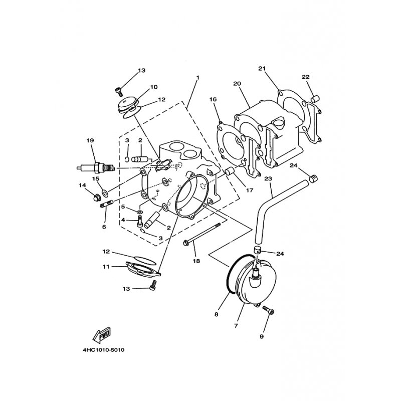
DICHTUNG, ZYLINDER
Artikelname: DICHTUNG, ZYLINDER
Hersteller: Yamaha
OEM Nummer: 4HC113510000
Dieser Artikel wurde durch folgenden ersetzt: 4HC113510100
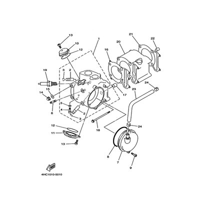
Hersteller: Yamaha
OEM Nummer: 4HC113510000
Dieser Artikel wurde durch folgenden ersetzt: 4HC113510100




















