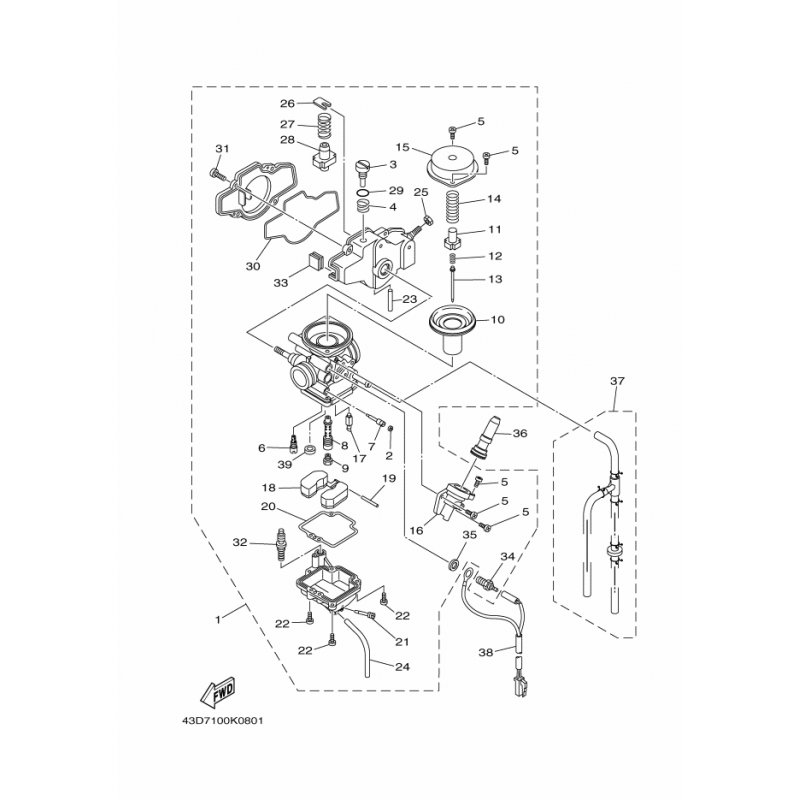
ROHR
Artikelname: ROHR
Hersteller: Yamaha
OEM Nummer: 4FPE43490000
Hersteller: Yamaha
OEM Nummer: 4FPE43490000






















