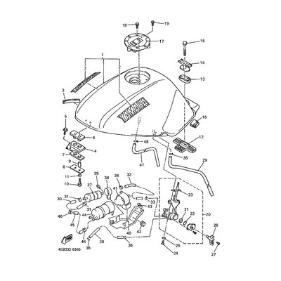
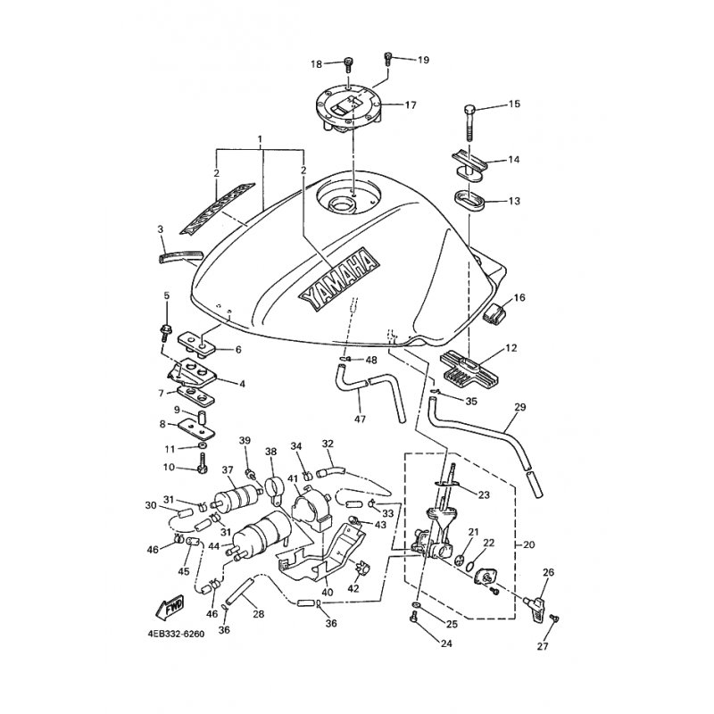
STUTZE
Artikelname: STUTZE
Hersteller: Yamaha
OEM Nummer: 4EB242160000
Hersteller: Yamaha
OEM Nummer: 4EB242160000






















