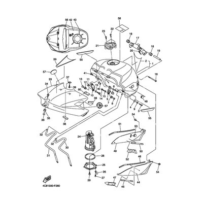
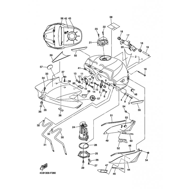
KONSOLE, KRAFTSTOFFPUMPE
Artikelname: KONSOLE, KRAFTSTOFFPUMPE
Hersteller: Yamaha
OEM Nummer: 4C8244910000
Hersteller: Yamaha
OEM Nummer: 4C8244910000






















