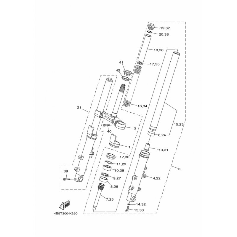
ZYLINDER KOMPL. VORDERRADGA
Artikelname: ZYLINDER KOMPL. VORDERRADGA
Hersteller: Yamaha
OEM Nummer: 4B5231700000
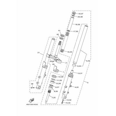
Hersteller: Yamaha
OEM Nummer: 4B5231700000




















