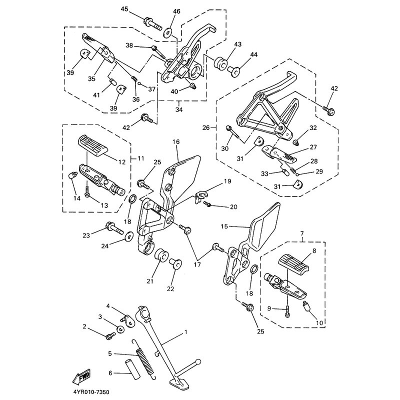
HINTERE FUSSRASTE KOMPL. 2
Artikelname: HINTERE FUSSRASTE KOMPL. 2
OEM: 4YR-27440-00 [4YR274400000]
OEM: 4YR-27440-00 [4YR274400000]






















