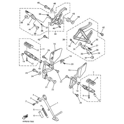
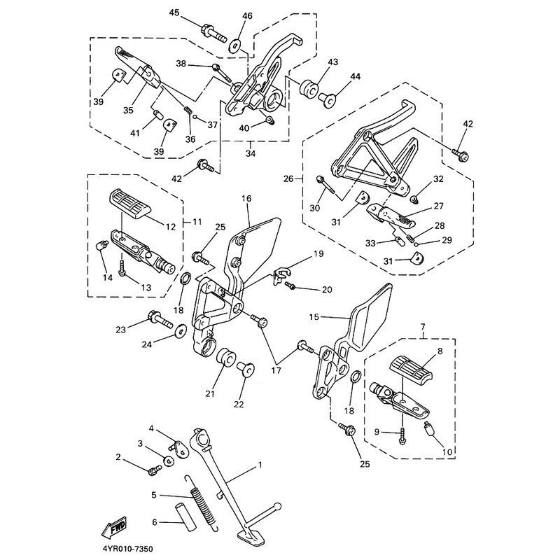
VORDERE JUSSRASTE KOMPL. (R
Artikelname: VORDERE JUSSRASTE KOMPL. (R
OEM: 4YR-27420-00 [4YR274200000]
OEM: 4YR-27420-00 [4YR274200000]






















