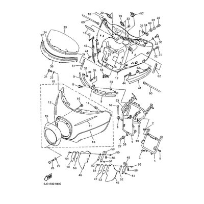
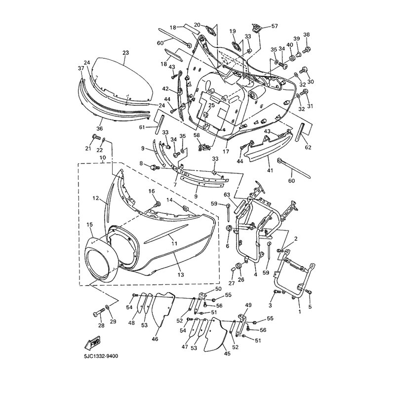
VERKLEIDUNG KOMPL
Artikelname: VERKLEIDUNG KOMPL
OEM: 4XY-28350-00-P1 [4XY2835000P1]
OEM: 4XY-28350-00-P1 [4XY2835000P1]




















