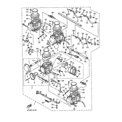
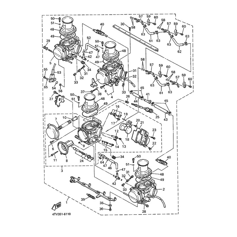
VERGASEREINHEIT
Artikelname: VERGASEREINHEIT
OEM: 4WD-14900-01 [4WD149000100]
OEM: 4WD-14900-01 [4WD149000100]




















