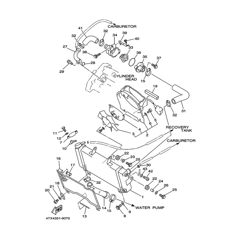
DAMPFER, KUHLER
Artikelname: DAMPFER, KUHLER
OEM: 4TX-12465-00 [4TX124650000]
OEM: 4TX-12465-00 [4TX124650000]






















