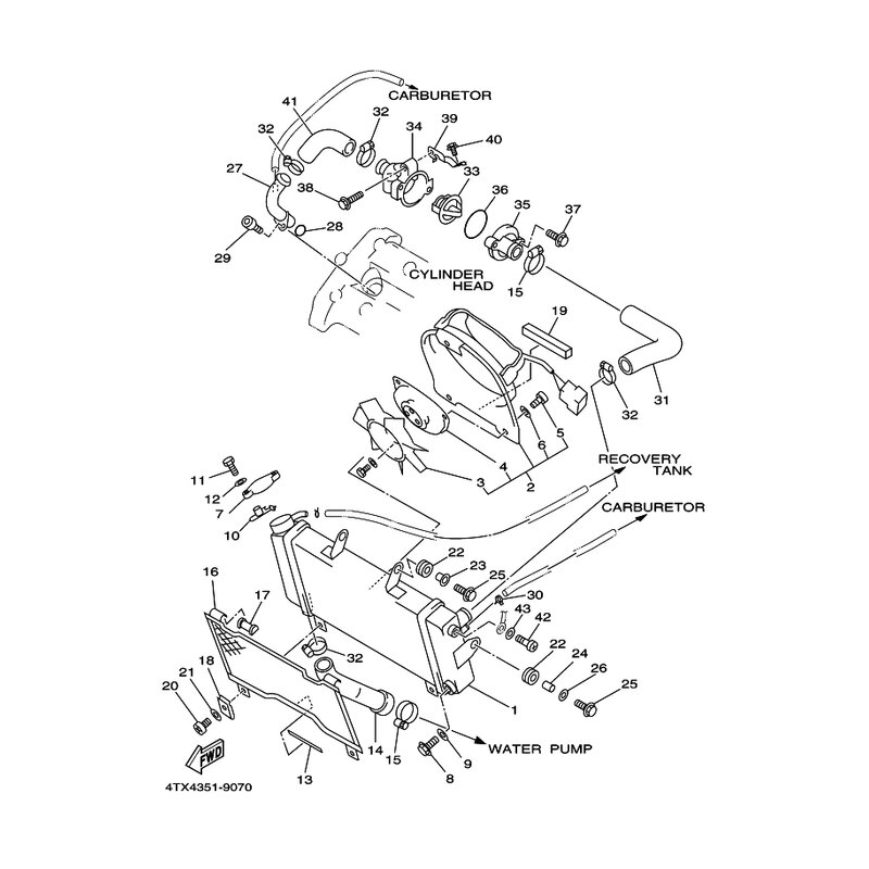
KUHLER
Artikelname: KUHLER
OEM: 4TX-12461-40 [4TX124614000]
OEM: 4TX-12461-40 [4TX124614000]






















