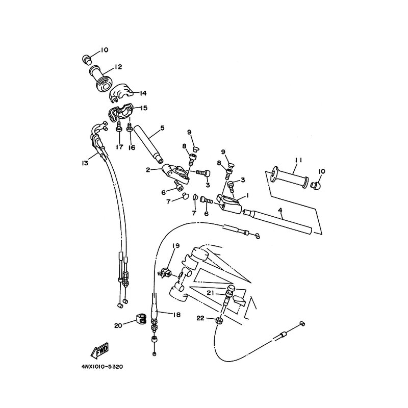
SCHUTZ
Artikelname: SCHUTZ
OEM: 4NX-26367-00 [4NX263670000]
OEM: 4NX-26367-00 [4NX263670000]




















