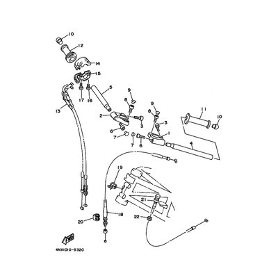
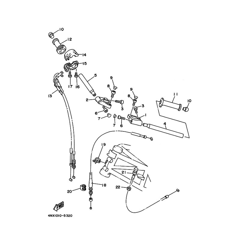
LENKERROHR (R)
Artikelname: LENKERROHR (R)
OEM: 4NX-26122-00 [4NX261220000]
OEM: 4NX-26122-00 [4NX261220000]




















