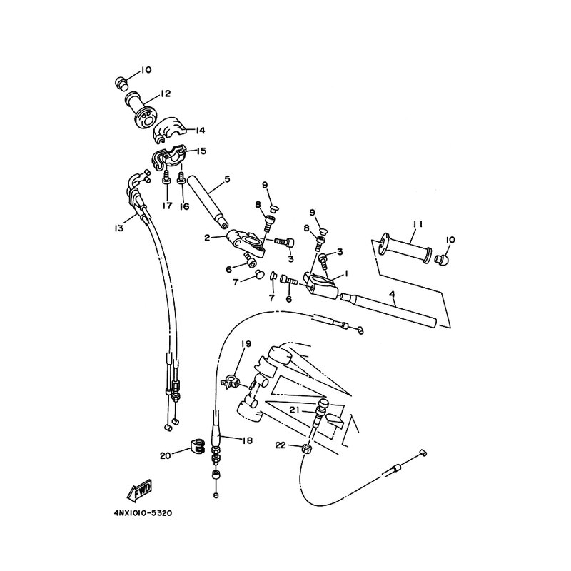
LENKERROHR
Artikelname: LENKERROHR
OEM: 4NX-26112-00 [4NX261120000]
OEM: 4NX-26112-00 [4NX261120000]




















