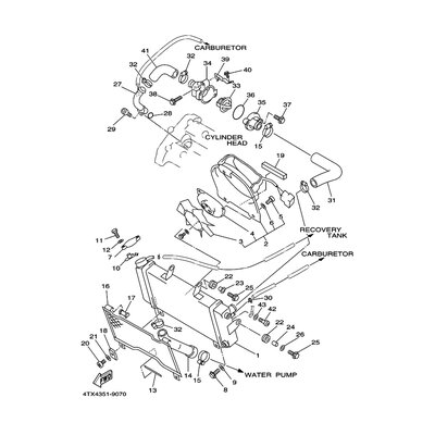
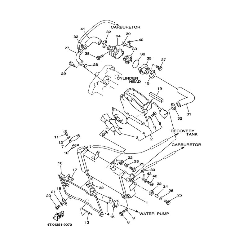
SCHLAUCH 4
Artikelname: SCHLAUCH 4
OEM: 4NX-12579-00 [4NX125790000]
OEM: 4NX-12579-00 [4NX125790000]






















