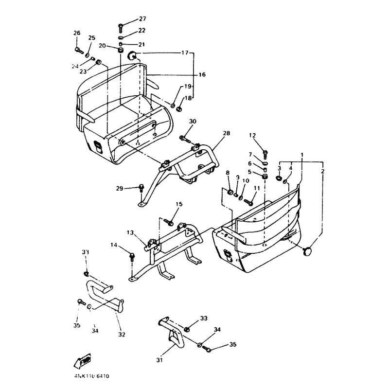
FUHRUNG, MOTOR 1
Artikelname: FUHRUNG, MOTOR 1
OEM: 4NL-F8418-00 [4NLF84180000]
OEM: 4NL-F8418-00 [4NLF84180000]






















