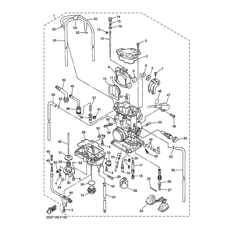
HAUPTDUSE
Artikelname: HAUPTDUSE
OEM: 4MX-14943-88 [4MX149438800]
OEM: 4MX-14943-88 [4MX149438800]




















