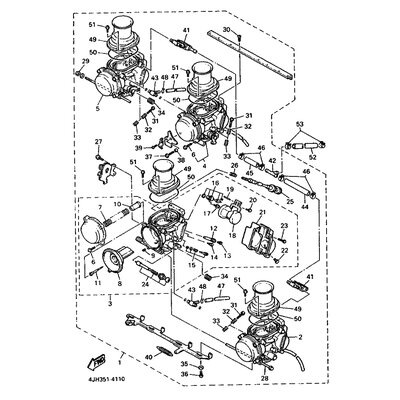
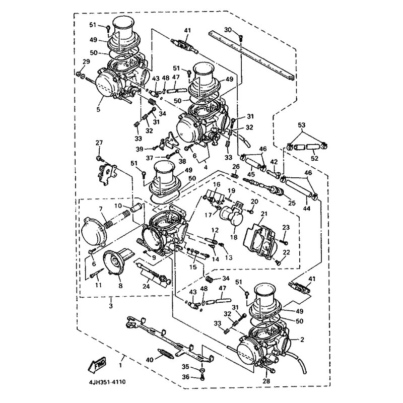
VERGASEREINHEIT 3
Artikelname: VERGASEREINHEIT 3
OEM: 4MH-14903-00 [4MH149030000]
OEM: 4MH-14903-00 [4MH149030000]






















