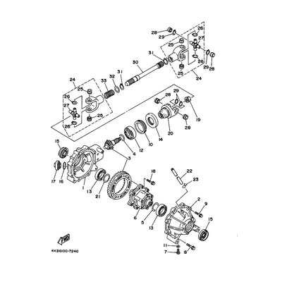
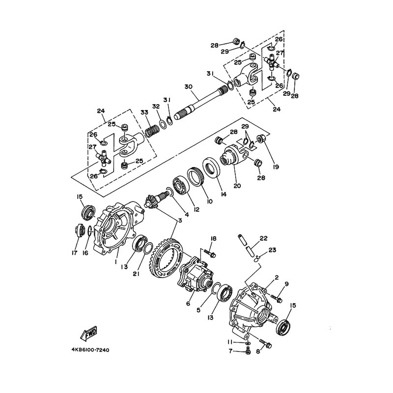
BEILEGESCHEIBE, TELLERRAD
Artikelname: BEILEGESCHEIBE, TELLERRAD
OEM: 4KB-46117-10 [4KB461171000]
OEM: 4KB-46117-10 [4KB461171000]




















