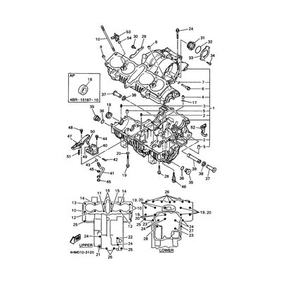
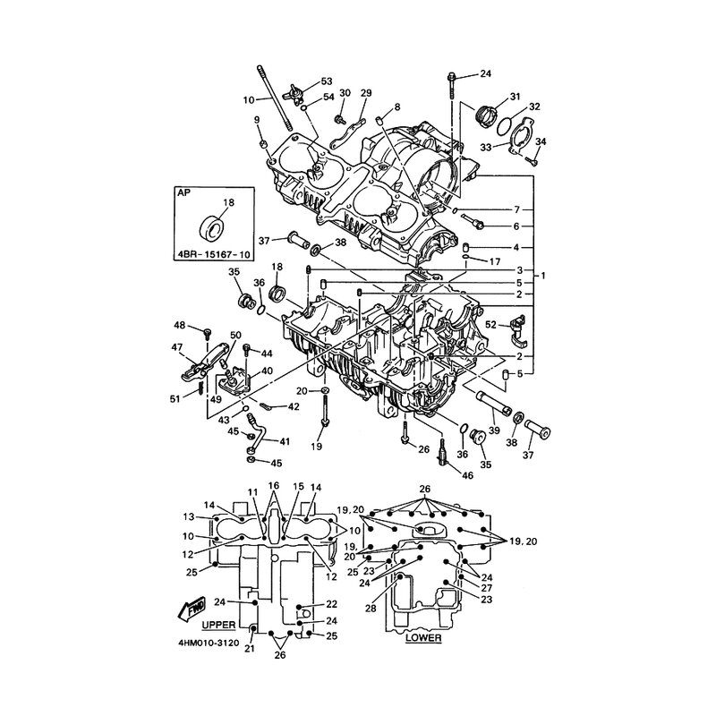
HULSE
Artikelname: HULSE
OEM: 4HM-15598-00 [4HM155980000]
OEM: 4HM-15598-00 [4HM155980000]






















