DUSE
Artikelname: DUSE
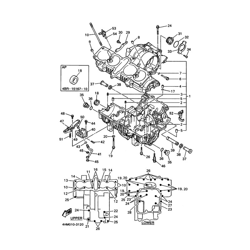
OEM: 4HM-15105-00 [4HM151050000]
OEM: 4HM-15105-00 [4HM151050000]






















