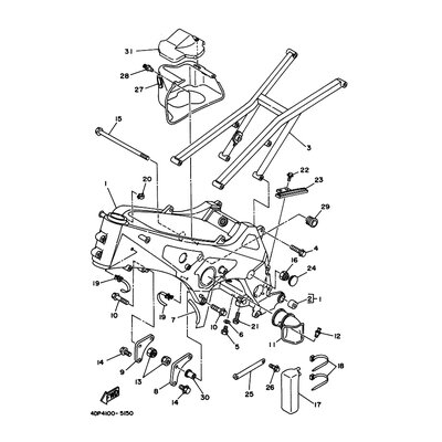
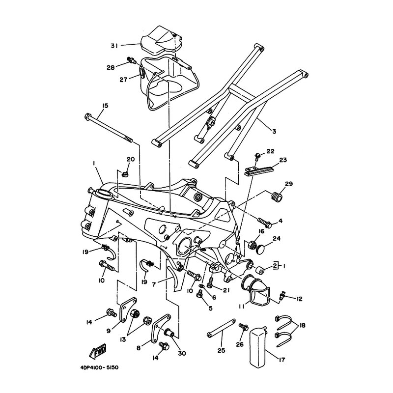
RAHMEN KOMPL
Artikelname: RAHMEN KOMPL
OEM: 4DP-21110-21 [4DP211102100]
OEM: 4DP-21110-21 [4DP211102100]






















