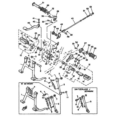
DECKEL, HINTERE FUSSRASTE
Artikelname: DECKEL, HINTERE FUSSRASTE
Hersteller: Yamaha
OEM Nummer: 447274330000
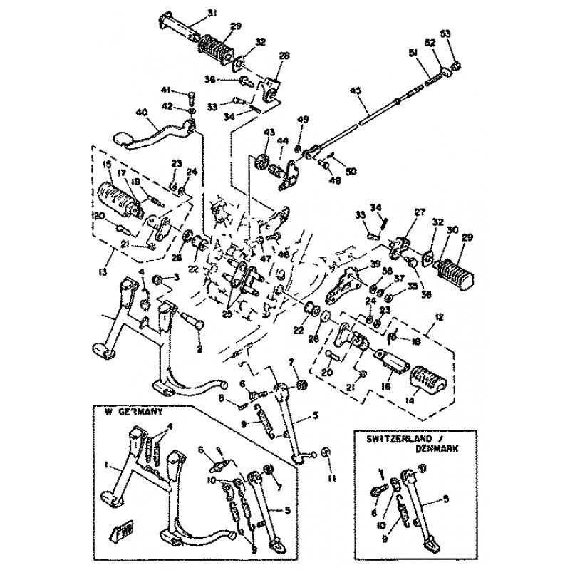
Hersteller: Yamaha
OEM Nummer: 447274330000






















