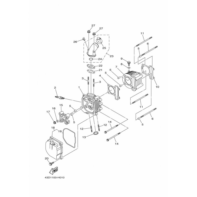
LAGERDECKEL, NOCKENWELLE 1
Artikelname: LAGERDECKEL, NOCKENWELLE 1
Hersteller: Yamaha
OEM Nummer: 43DE21730000
Hersteller: Yamaha
OEM Nummer: 43DE21730000






















