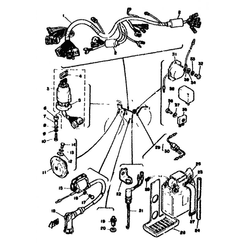
DAMPFER, ANSCHLAG
Artikelname: DAMPFER, ANSCHLAG
Hersteller: Yamaha
OEM Nummer: 437825560000
Dieser Artikel wurde durch folgenden ersetzt: 1M1825560000
Hersteller: Yamaha
OEM Nummer: 437825560000
Dieser Artikel wurde durch folgenden ersetzt: 1M1825560000






















