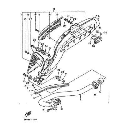
DICHTUNG, SCHALLDAMPFER
Artikelname: DICHTUNG, SCHALLDAMPFER
Hersteller: Yamaha
OEM Nummer: 42X147140000
Dieser Artikel wurde durch folgenden ersetzt: 3EG147140000
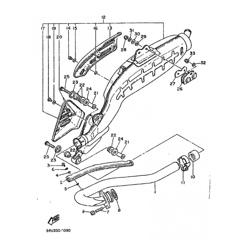
Hersteller: Yamaha
OEM Nummer: 42X147140000
Dieser Artikel wurde durch folgenden ersetzt: 3EG147140000






















