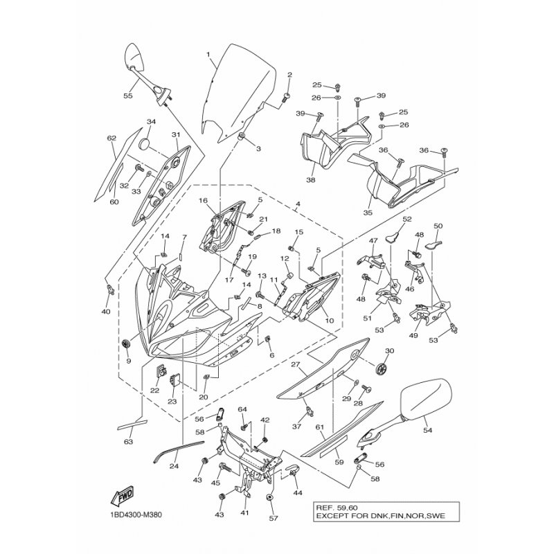
AUFKLEBER, VERKLEIDUNG 1
Artikelname: AUFKLEBER, VERKLEIDUNG 1
Hersteller: Yamaha
OEM Nummer: 42P283910000
Hersteller: Yamaha
OEM Nummer: 42P283910000






















