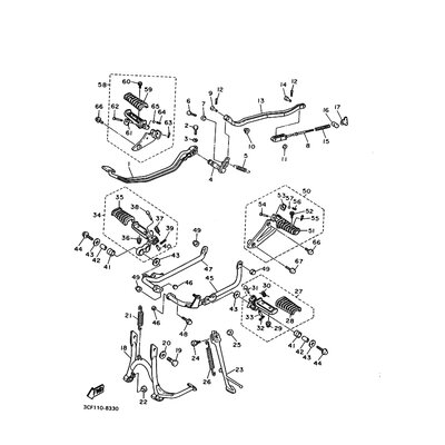
WELLE, BREMSPEDAL
Artikelname: WELLE, BREMSPEDAL
OEM: 42X-27212-01 [42X272120100]
OEM: 42X-27212-01 [42X272120100]




















