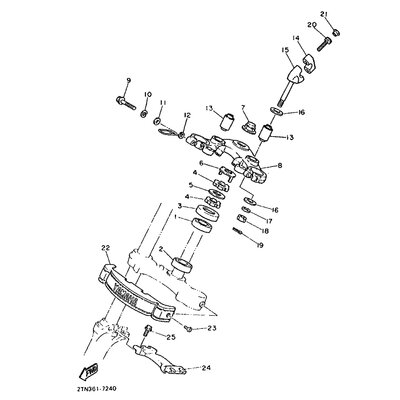
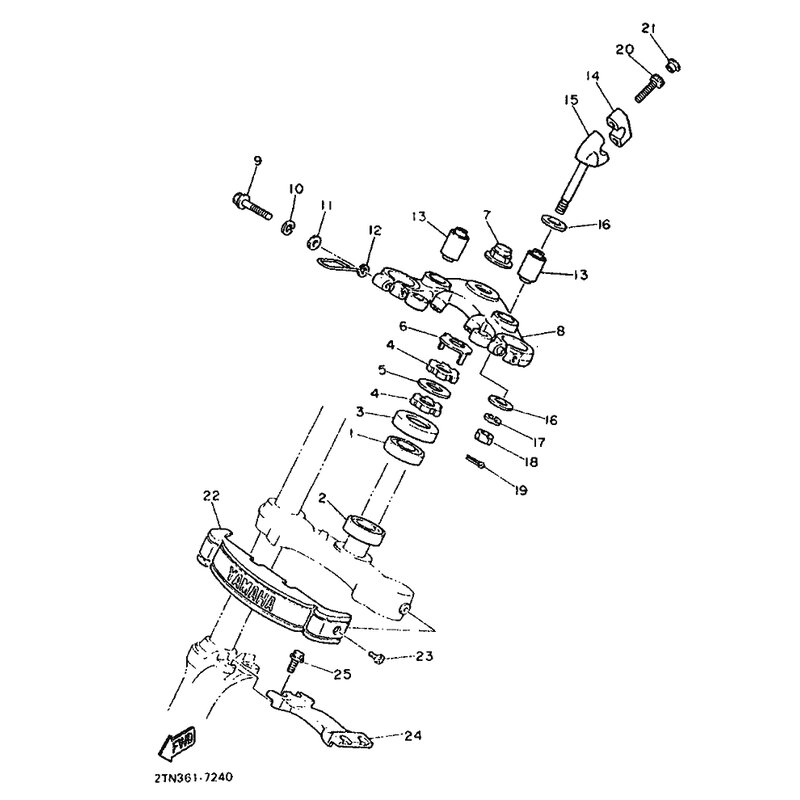
DECKEL 1, UNTEN
Artikelname: DECKEL 1, UNTEN
OEM: 42X-23122-00 [42X231220000]
OEM: 42X-23122-00 [42X231220000]






















