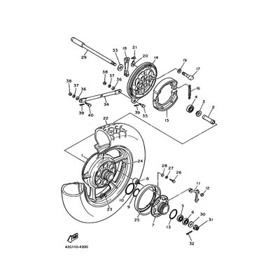
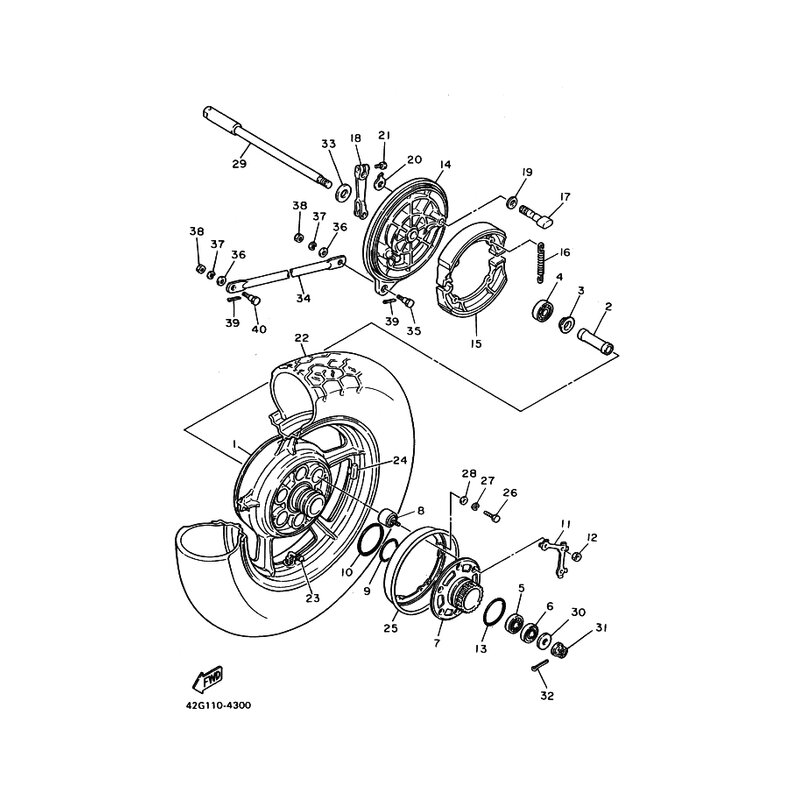
DAMPFER
Artikelname: DAMPFER
OEM: 42H-25364-00 [42H253640000]
OEM: 42H-25364-00 [42H253640000]




















