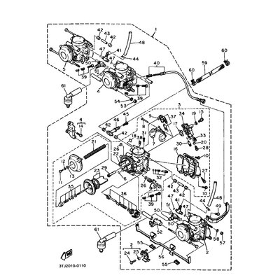
VERGASEREINHEIT 4
Artikelname: VERGASEREINHEIT 4
Hersteller: Yamaha
OEM Nummer: 3TJ149040000
Dieser Artikel wurde durch folgenden ersetzt: 3TJ149040100
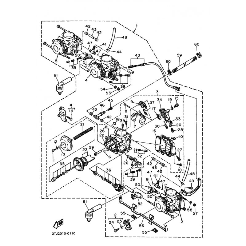
Hersteller: Yamaha
OEM Nummer: 3TJ149040000
Dieser Artikel wurde durch folgenden ersetzt: 3TJ149040100






















