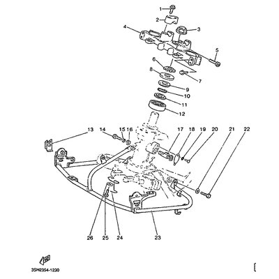
LENKERKRONE
Artikelname: LENKERKRONE
Hersteller: Yamaha
OEM Nummer: 3SHF34350098
Dieser Artikel wurde durch folgenden ersetzt: 3NCF34350098
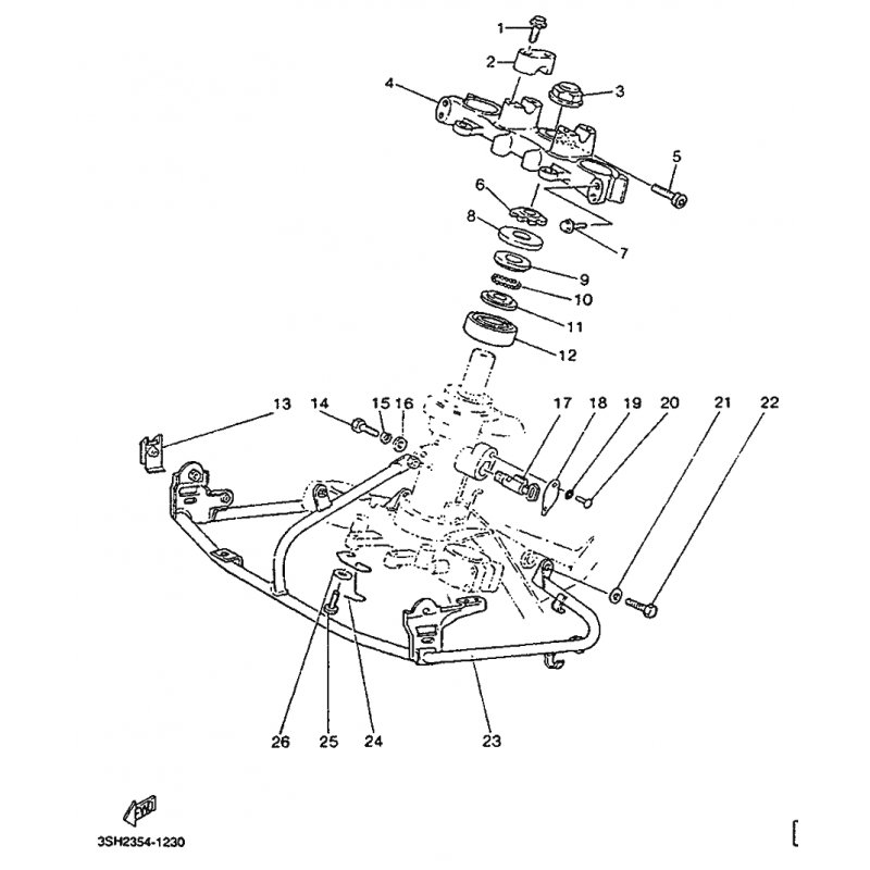
Hersteller: Yamaha
OEM Nummer: 3SHF34350098
Dieser Artikel wurde durch folgenden ersetzt: 3NCF34350098




















