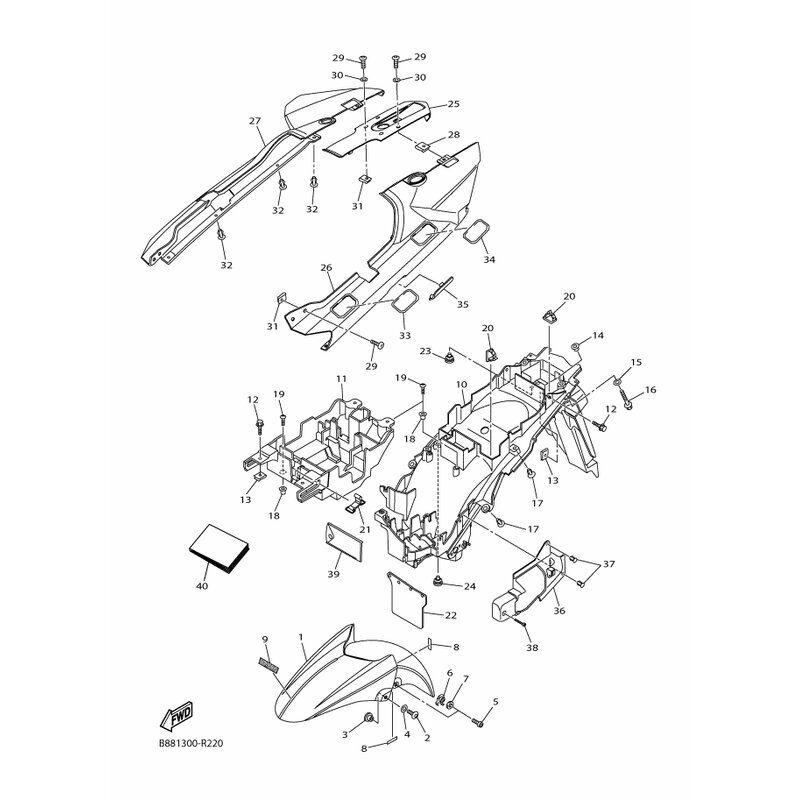
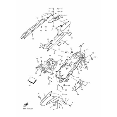
KOTFLUGEL, VORNE
Artikelname: KOTFLUGEL, VORNE
Hersteller: Yamaha
OEM Nummer: 3P62151100PF
Dieser Artikel wurde durch folgenden ersetzt: 3P62151101PF
Hersteller: Yamaha
OEM Nummer: 3P62151100PF
Dieser Artikel wurde durch folgenden ersetzt: 3P62151101PF




















