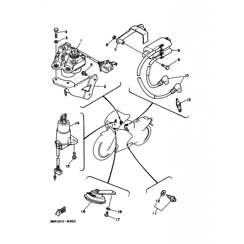
ZUNDSPULE KOMPL.
Artikelname: ZUNDSPULE KOMPL.
Hersteller: Yamaha
OEM Nummer: 3MA823101000
Dieser Artikel wurde durch folgenden ersetzt: 3MA823101100
Hersteller: Yamaha
OEM Nummer: 3MA823101000
Dieser Artikel wurde durch folgenden ersetzt: 3MA823101100




















