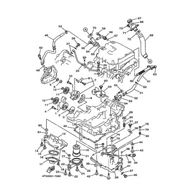
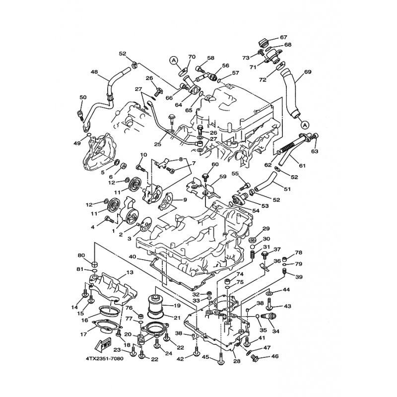
SITZ, RUCKSCHLAGKUGEL
Artikelname: SITZ, RUCKSCHLAGKUGEL
Hersteller: Yamaha
OEM Nummer: 3LD131130000
Hersteller: Yamaha
OEM Nummer: 3LD131130000






















