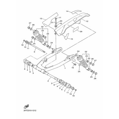
DAMPFER 1
Artikelname: DAMPFER 1
Hersteller: Yamaha
OEM Nummer: 3HT2214F0000
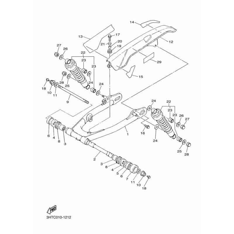
Hersteller: Yamaha
OEM Nummer: 3HT2214F0000






















