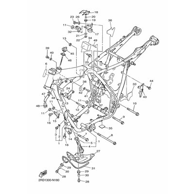
KONSOLE
Artikelname: KONSOLE
Hersteller: Yamaha
OEM Nummer: 3HT2134V0000
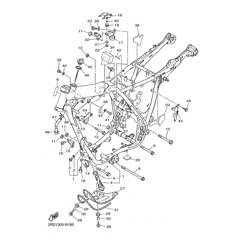
Hersteller: Yamaha
OEM Nummer: 3HT2134V0000






















