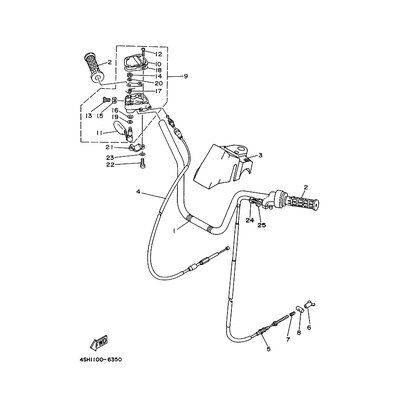
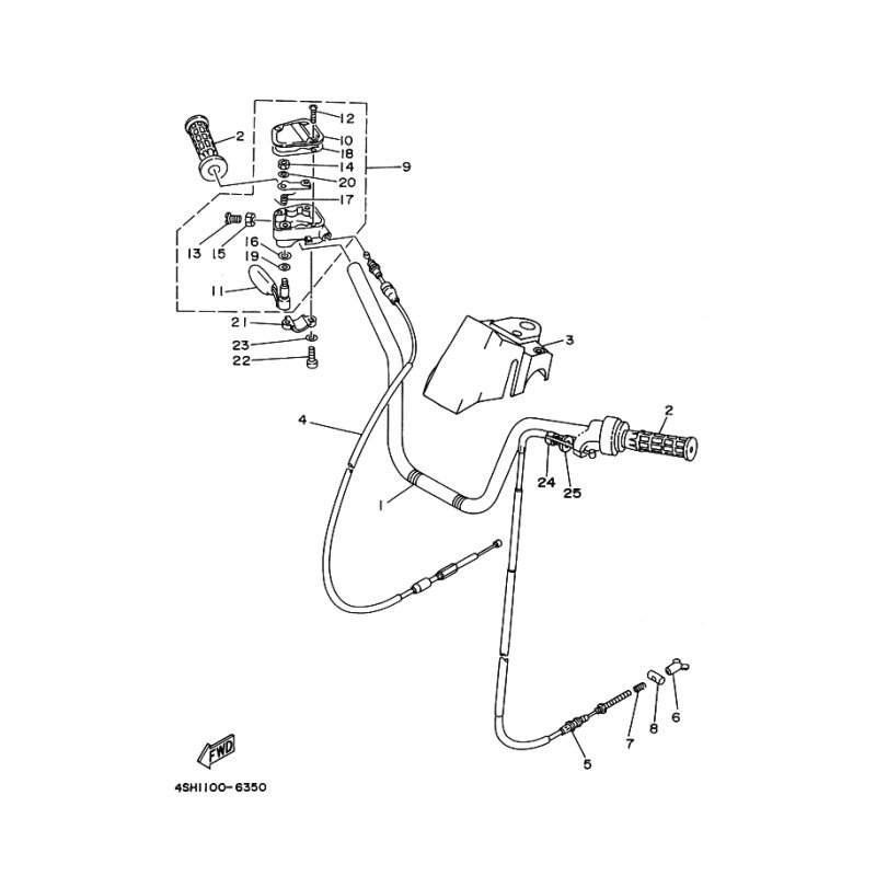
LENKER
Artikelname: LENKER
Hersteller: Yamaha
OEM Nummer: 3HN261110000
Hersteller: Yamaha
OEM Nummer: 3HN261110000






















