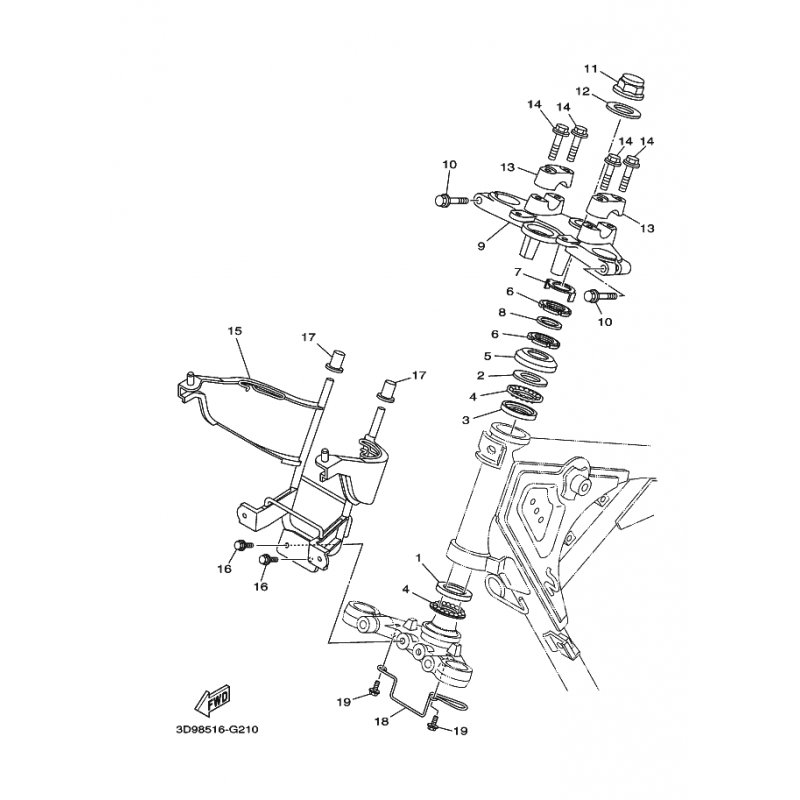
STUTZE, SCHEINWERFER
Artikelname: STUTZE, SCHEINWERFER
Hersteller: Yamaha
OEM Nummer: 3D9F31742100
Hersteller: Yamaha
OEM Nummer: 3D9F31742100






















