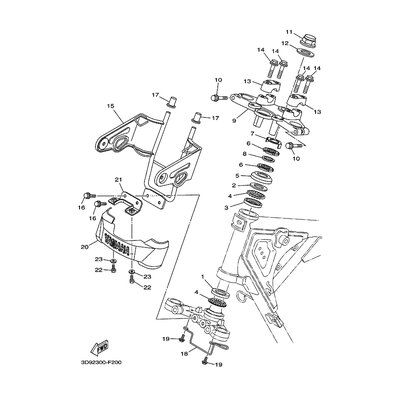
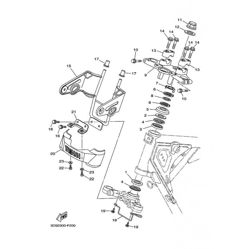
STUTZE, SCHEINWERFER
Artikelname: STUTZE, SCHEINWERFER
Hersteller: Yamaha
OEM Nummer: 3D9F31741000
Hersteller: Yamaha
OEM Nummer: 3D9F31741000






















