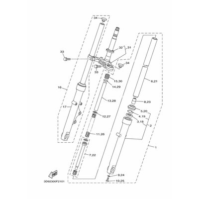
GABELBEIN (RECHTS)
Artikelname: GABELBEIN (RECHTS)
Hersteller: Yamaha
OEM Nummer: 3D9F31031000
Dieser Artikel wurde durch folgenden ersetzt: 3D9F31031100
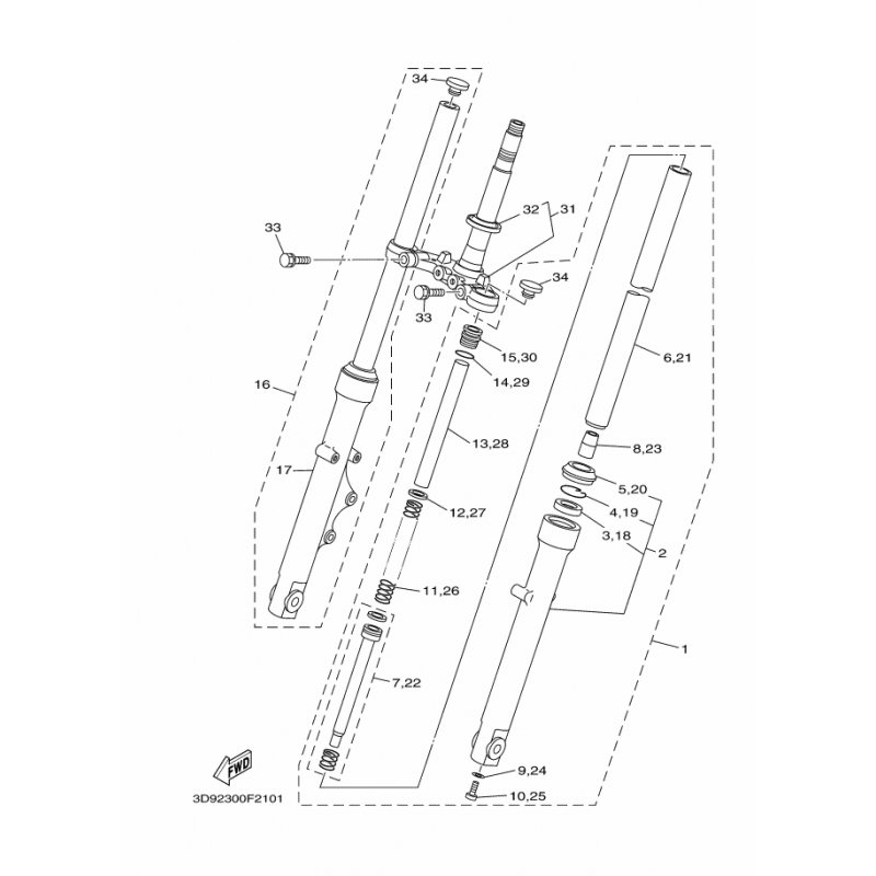
Hersteller: Yamaha
OEM Nummer: 3D9F31031000
Dieser Artikel wurde durch folgenden ersetzt: 3D9F31031100






















