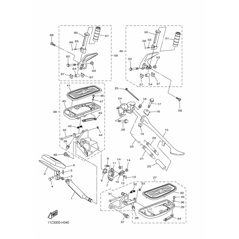
FEDER, BREMSPEDAL
Artikelname: FEDER, BREMSPEDAL
Hersteller: Yamaha
OEM Nummer: 3D8272160000
Hersteller: Yamaha
OEM Nummer: 3D8272160000






















