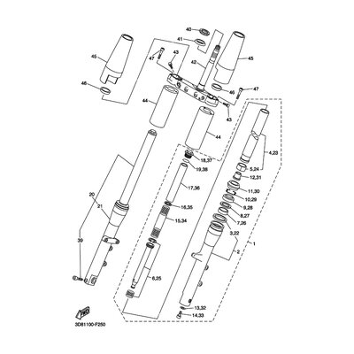
UNTERE KONSOLE KOMPL.
Artikelname: UNTERE KONSOLE KOMPL.
Hersteller: Yamaha
OEM Nummer: 3D8233400000
Dieser Artikel wurde durch folgenden ersetzt: 999990396500
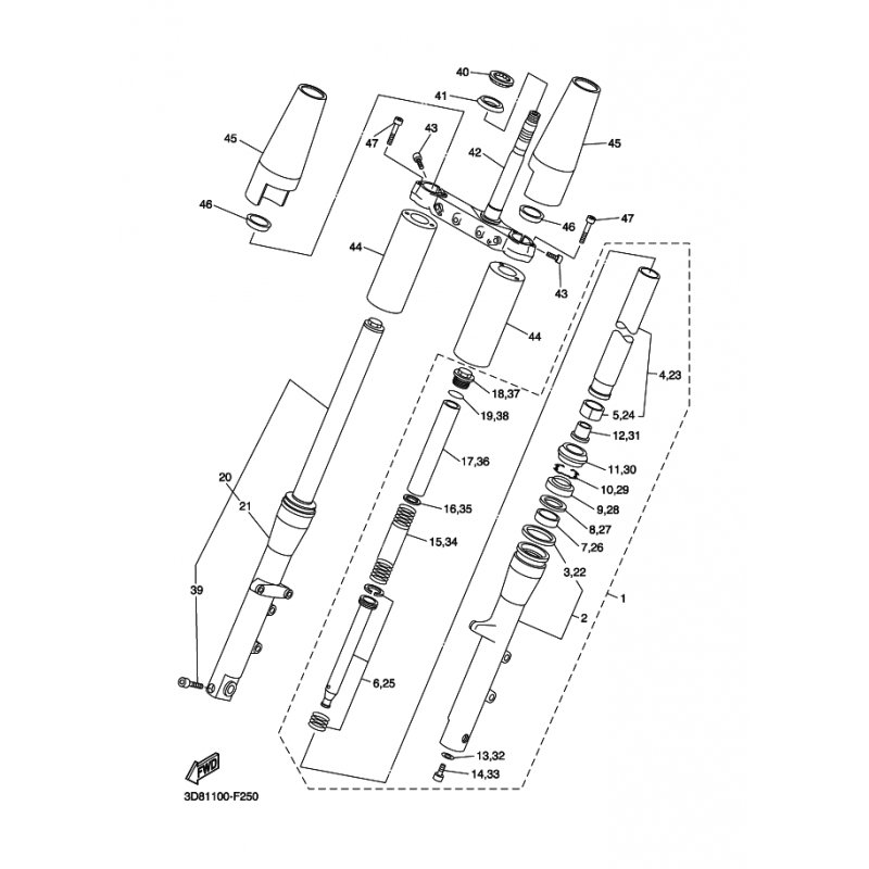
Hersteller: Yamaha
OEM Nummer: 3D8233400000
Dieser Artikel wurde durch folgenden ersetzt: 999990396500






















